null

Pioneer Eclipse Parts Manuals

To purchase parts for Pioneer Eclipse machines:

1. Reference the part needed from the parts Schematic and Parts List below.
2. Copy the Part Number and paste it into the search window above.
3. Confirm your parts selection and "Add To Cart".

If you do not see your parts list listed below or need technical assistance, email tech@monsterjanitorial.com. Please include machine model and serial number.

 

SHOP ALL PIONEER ECLIPSE EQUIPMENT

 

Air Mover

Pioneer Eclipse 250AP Air Mover Parts Manuals:

250AP Lower Assembly Schematic

250AP Lower Assembly Parts List

250AP Upper Assembly Schematic

250AP Upper Assembly Parts List

Click here to buy new air movers

 

Auto Scrubber

Pioneer Eclipse 310AS Parts Manuals:

310AS Owners Manual

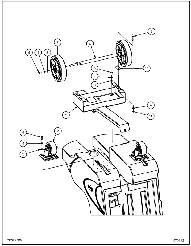
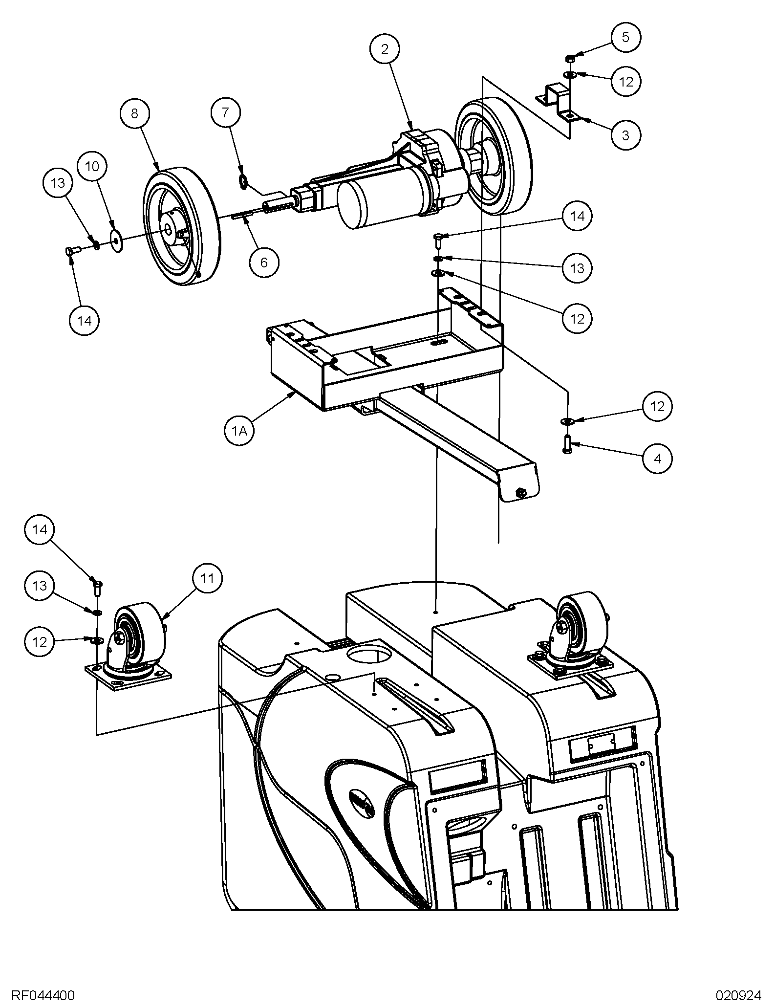
310AS Drive Wheel Schematic

310AS Drive Wheel Assembly Parts List

310AS Electrical Schematic

310AS Handle Assembly Schematic

310AS Handle Assembly Parts List

310AS Pad Drive Assembly Schematic

310AS Pad Drive Assembly Parts List

310AS Squeegee Assembly Schematic

310AS Squeegee Assembly Parts List

310AS Tanks and Cover Assembly Schematic

310AS Tanks and Cover Assembly Parts List

 

Burnishers: Battery

Pioneer Eclipse 300BU Parts Manuals:

300BU Main Bottom Assembly Traction Schematic

300BU Main Bottom Assembly Traction Parts List

300BU Main Bottom Assembly Schematic

300BU Main Bottom Assembly Parts List

300BU Main Front Assembly Schematic

300BU Main Front Assembly Parts List

300BU Main Rear Assembly Schematic

300BU Main Rear Assembly Parts List

300BU Main Top Assembly Schematic

300BU Main Top Assembly List

300BU Skirt, Deck & Axle Assembly Schematic

300BU Skirt, Deck & Axle Assembly Parts List

300BU Head, Axle Bracket Assembly Schematic

300BU Head, Axle Bracket Assembly Parts List

300BU 27/28" Main Front Pad Assembly Schematic

300BU 27/28" Main Front Pad Assembly Parts List

300BU 27/28" Main Bottom Assembly Schematic

300BU 27/28" Main Bottom Assembly Parts List


Pioneer Eclipse 350BU Parts Manuals:

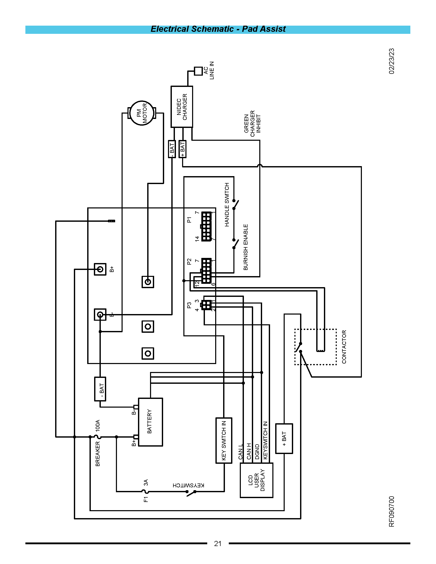
350BU Electrical Pad Assist Schematics

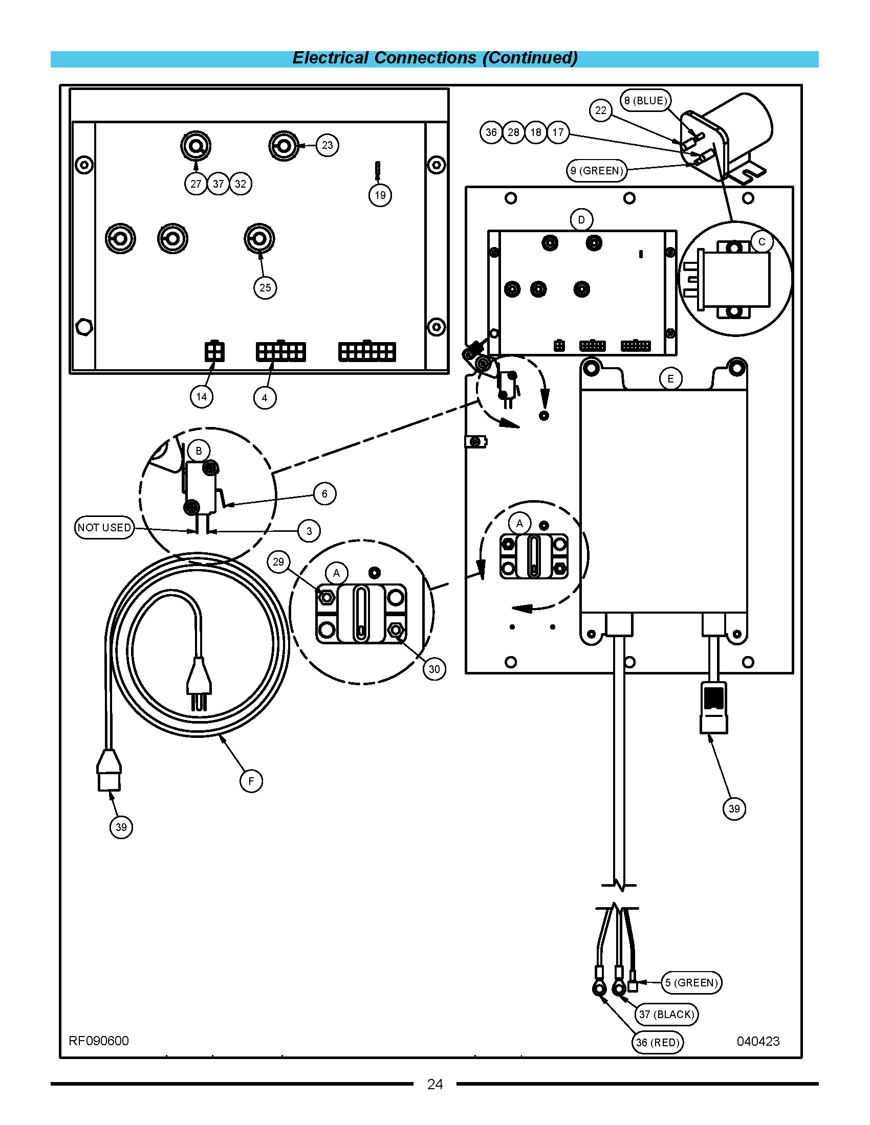
350BU Electrical Connections Schematics

350BU Electrical Connections Parts List

350BU Electrical Connections 2 Schematics

350BU Electrical Connections 2 Parts List

350BU Electrical Connections 3 Schematics

350BU Electrical Connections 3 Parts List

350BU Electrical Components Schematics

350BU Electrical Components Parts List

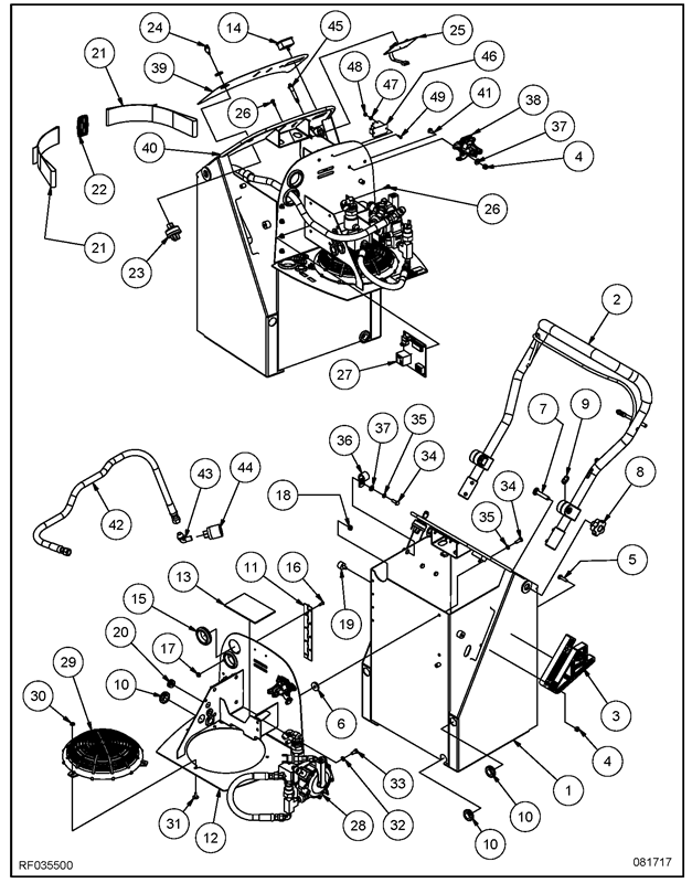
350BU Deck Assembly Schematics

350BU Deck Assembly Parts List

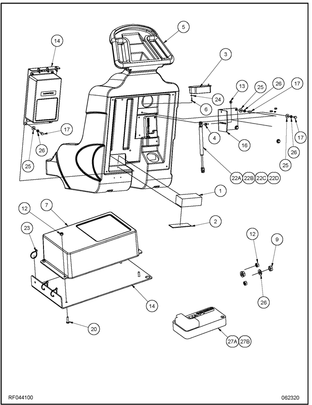
350BU Cover Assembly Schematics

350BU Cover Assembly Parts List

350BU Rear Assembly Schematics

350BU Rear Assembly Parts List

350BU Pad Holder and Skirt Assembly Schematics

350BU Pad Holder and Skirt Assembly Schematics 2

350BU Pad Holder and Skirt Assembly Parts List

 

Burnishers: Propane

Pioneer Eclipse 400BU Parts Manuals:

400BU Main Assembly Schematic

400BU Main Assembly Parts List

400BU Deck Assembly Schematic

400BU Deck Assembly Parts List

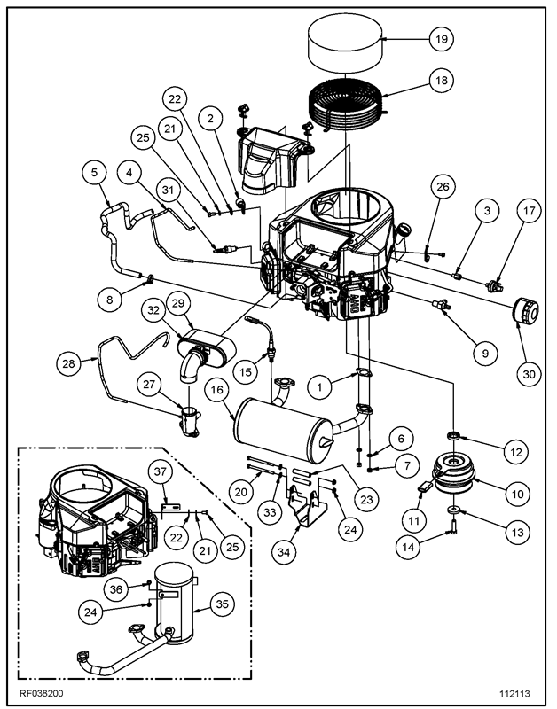
400BU Engine Assembly Schematic

400BU Engine Assembly Parts List

400BU Regulator, Switch Panel, & Solenoid Assemblies Schematics

400BU Regulator Switch Panel Solenoid Parts List

400BU Handle Assembly Schematic

400BU Handle Assembly Parts List


Pioneer Eclipse 420BU Parts Manual:

420BU 40" Dust Control Assembly Schematic

420BU 40" Dust Control Assembly Parts List

420BU 40" Deck Assembly Schematic

420BU 40" Deck Assembly Parts List

420BU 40" Main Assembly Schematic

420BU 40" Main Assembly Parts List

420BU Deck Assembly Schematic

420BU Deck Assembly Parts List

420BU Engine Assembly Schematic

420BU Engine Assembly Parts List

420BU Frame Assembly Schematic

420BU Frame Assembly Parts List

420BU Main Assembly Schematic

420BU Main Assembly Parts List

420BU Regulator, Switch Panel & Solenoid Assembly Schematic

420BU Regulator, Switch Panel & Solenoid Assembly Parts List

420BU Skirt Pad Holder Assembly Schematic

420BU Skirt Pad Holder Assembly Parts List

420BU Torsion Bar Assembly Schematic

420BU Torsion Bar Assembly Parts List

420BU Electrical Schematic

420BU 40" Dust Control Assembly Schematic

420BU 40" Dust Control Assembly Parts List

420BU 40" Deck Assembly Schematic

420BU 40" Deck Assembly Parts List

420BU 40" Main Assembly Schematic

420BU 40" Main Assembly Parts List

420BU Old Deck Assembly Schematic

420BU Old Deck Assembly List

420BU Old Main Assembly Schematic

420BU Old Main Assembly List


Pioneer Eclipse 440BU Parts Manual:

440BU Deck Assembly Schematic

440BU Deck Assembly Parts List

440BU Old Deck Assembly Schematic

440BU Old Deck Assembly Parts List

440BU Engine Assembly Schematic

440BU Engine Assembly Parts List

440BU Main Assembly Schematic

440BU Main Assembly Parts List

440BU Old Main Assembly Parts

440BU Old Main Assembly Parts List

440BU Regulator Handle Hood Assembly Schematic

440BU Regulator Handle Hood Assembly Parts List

440BU Skirt Pad Holder Assembly Schematic

440BU Skirt Pad Holder Assembly Parts List

440BU Bulkhead Assembly Schematic

440BU Bulkhead Assembly Parts List

 

Floor Machines (Corded)

Pioneer Eclipse FM-1700 & FM-2000 Floor Maintainer Parts Manual:

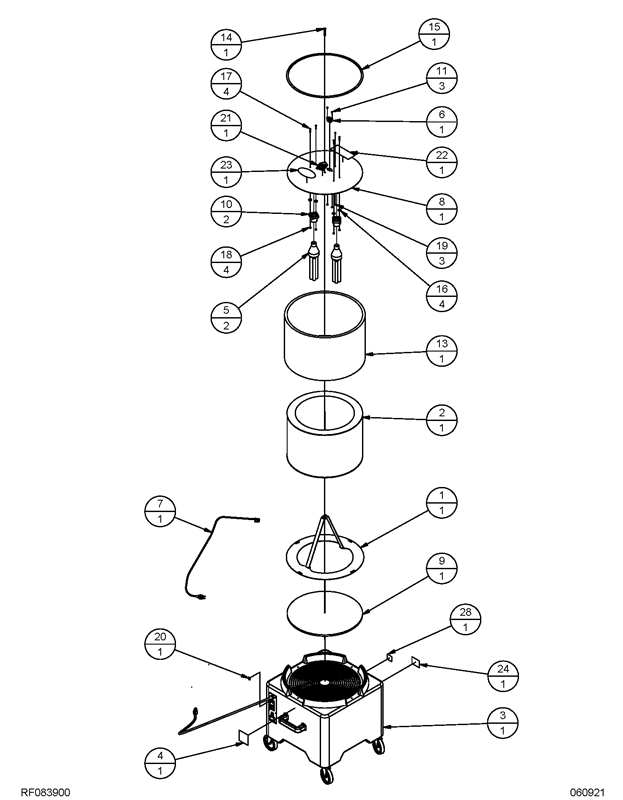
FM Floor Maintainer Base Assembly Schematics

FM Floor Maintainer Base Assembly Parts List

FM Floor Maintainer Main Assembly Schematics

FM Floor Maintainer Main Assembly Parts List

FM Floor Maintainer Handle Assembly Schematics

FM Floor Maintainer Handle Assembly Parts List

FM-1700 Floor Maintainer Accessories

FM-2000 Floor Maintainer Accessories

Pioneer Eclipse 225BU Parts Manual

Pioneer Eclipse 225FP Parts Manual:

225FP 2-Speed Motor Assembly Schematics

225FP 2 Speed Motor Assembly Parts List

225FP Gearbox Assembly Schematics

225FP Gearbox Assembly Diagram Parts List

225FP Handle E & E6 Assembly Schematics

225FP Handle E & E6 Assembly Parts List

225FP Handle 17EB & 20EB Assembly Schematics

225FP Handle 17EB & 20EB Assembly Parts List

225FP Handle Assembly Schematics

225FP Handle Assembly Parts List

225FP Main Assembly Schematics

225FP Main Assembly Parts List

225FP 225FP16TR Main Assembly Schematics

225FP 225FP16TR Main Assembly Parts List

225FP 225FP17E6 & 225FP20E6 Main Assembly Schematics

225FP 225FP17E6 & 225FP20E6 Main Assembly Parts List

Pioneer Eclipse 250ST Parts Manual:

250ST Base Assembly Schematics

250ST Base Assembly Parts List

250ST Handle Assembly 115V Schematics

250ST Handle Assembly 115V Parts List

250ST Handle Assembly 230V Schematics

250ST Handle Assembly 230V Parts List

250ST Motor Assembly Schematics

250ST Motor Assembly Parts List

Floor Polishers/Concrete Grinders 

Pioneer Eclipse 225GP Parts Manual:

225GP Handle Assembly Schematic

225GP Handle Assembly Parts List

225GP Handle Assembly 2 Schematic

225GP Handle Assembly 2 Parts List

225GP Motor & Gearbox Assembly Schematic

225GP Motor Gearbox Assembly Parts List

225GP Tank Assembly Schematic

225 Tank Assembly Parts List

225GP Main Assembly Schematic

225GP Main Assembly Parts List

225GP Main Assembly 2 Schematic

225GP Main Assembly 2 Parts List

HydraShine Driver Assembly Schematic

HydraShine Driver Assembly Parts List

Pioneer Eclipse 420GP Parts Manual:

420GP Main Assembly Schematic

420GP Main Assembly Parts List

420GP Main Assembly HD Schematic

420GPMain Assembly HD Parts List

420GP Tank and Controls Assembly Schematic

420GP Tank and Controls Parts List

420GP Regulator Solenoid Assembly Schematic

420GP Regulator Solenoid Assembly Parts List

420GP Regulator Solenoid HD Assembly Schematic

420GP Regulator Solenoid Assembly HD Parts List

420GP Skirt, Driver & Pad Holder Assembly Schematic

420GP Skirt Driver Pad Holder Parts List

420GP Engine Assembly Schematic

420GP Engine Assembly Parts List

420GP Deck Assembly Schematic

420GP Deck Assembly Parts List

420GP Handle Assembly Schematic

420GP Handle Assembly Parts List

420GP Deck/Liner Assembly Schematic

420GP Deck/Liner Assembly Parts List

Pioneer Eclipse 450GP Parts Manual:

450GP Front Main Assembly Schematic

450GP Front Main Assembly Parts List

450GP Rear Main Assembly Schematic

450GP Rear Main Assembly Parts List

450GP Frame Assembly Schematic

450GP Frame Assembly Parts List

450GP Bulkhead and Control Panel Assembly Schematic

450GP Bulkhead and Control Panel Assembly Parts List

450GP Engine Assembly Schematic

450GP Engine Assembly Parts List

450GP Gearbox Assembly Schematic

450GP Gearbox Assembly Parts List

450GP Head Assembly Schematic

450GP Head Assembly Parts List

450GP Regulator & Handle Assembly Schematic

450GP Regulator and Handle Assembly Parts List

Floor Stripping Machines

Pioneer Eclipse 250ST Parts Manual

Pioneer Eclipse 440ST Parts Manual:

440ST Main Assembly Deck Schematic

440ST Main Assembly Deck Parts List

440ST Main Assembly Schematic

440ST Main Assembly Parts List

440ST Engine Assembly Schematic

440ST Engine Assembly Parts List

440ST Frame Assembly Schematic

440ST Frame Assembly Parts List

440ST Regulator, Handle & Hood Assembly Schematic

440ST Regulator Handle Hood Assembly Parts List

440ST Transport Cart Assembly Schematic

440ST Transport Cart Assembly Parts List

440ST Bulkhead Assembly Schematic

440ST Bulkhead Assembly Parts List